CT校正模塊
CT校正模塊
實體廠家,非標訂制,一件起訂,134-7367-2973 微信同號
以下圖片和參數,僅供參考?。?!更多詳情,請咨詢:134-7367-2973 微信同號
產品名稱:CT幾何校準模塊,又稱CT校正模塊
用途:用于CT機質量控制和質量保證的校準和驗收。
產品材質:PMMA、PDMS、PA66等不同的材質,可以按照客戶要求訂制
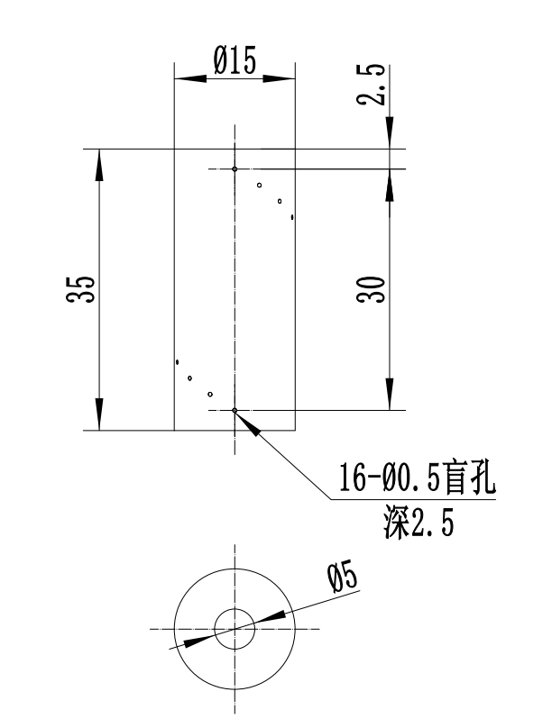
以下尺寸僅供參考:
產品的尺寸規格和參數可以按照不同的要求加工訂制!





下一篇:醫學圖像體外定位帖
CT校正模塊
實體廠家,非標訂制,一件起訂,134-7367-2973 微信同號
以下圖片和參數,僅供參考?。?!更多詳情,請咨詢:134-7367-2973 微信同號
產品名稱:CT幾何校準模塊,又稱CT校正模塊
用途:用于CT機質量控制和質量保證的校準和驗收。
產品材質:PMMA、PDMS、PA66等不同的材質,可以按照客戶要求訂制
以下尺寸僅供參考:
產品的尺寸規格和參數可以按照不同的要求加工訂制!





下一篇:醫學圖像體外定位帖